产品展示
热销产品
-
HMD150-M30*50镀铬[2020/5/26]
-
HMD60-M16150铣六方[2020/5/26]
-
HMD80-M24*4.0T型牙[2020/5/26]
-
HMC100带定位孔镀锌铁盘[2020/5/26]
-
HMS150-M36150[2020/5/26]
联系我们contact us
+0574-63197115全国服务热线:
慈溪市恒茂塑料制品有限公司
公司地址: 慈溪市横河镇石堰村兴业路176号调节脚咨询热线:15867591115 0574-63197115
业务QQ:2205621083
资质荣誉


产品展示当前位置:首页 > 产品展示

HMD150-M30*1.5细牙 添加时间:2020/5/26
产品详情
产品详情
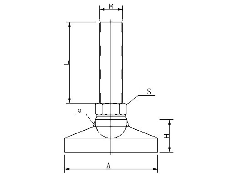
◆材质:产品选用全304不锈钢圆棒,精加工而成;表面处理:发黑(可电咏喷柒,镀铬/锌/镍,等)
也可选用不锈钢304或316.
◆尺寸:全碳钢材质除表中所列尺寸外,螺杆和底盘大小\外观,均可定制
◆适用范围:食品机械,不锈钢设备,中型,大型机械设备,工程组装,升降设备;具体承载力而定
◆产品优势:产品底座选用全不锈钢实心圆棒车床加工,螺杆选用六角棒精加工,产品本身较重;
螺杆和底座采用球头连接,可以在不平衡的地面调节幅度,保证设备平衡,同时,不影响螺杆和底座的承载力
底部可选滑橡胶垫,增加产品防滑防震功能,螺杆头部可铣四边,六边,一字槽等
◆产品承载力并非只靠螺杆或底盘,而是两个部件相组而成;承载力的大小和产品使用数量不成正比
| 规格型号 | 螺纹直径 | 螺杆长度 | 六角对边直径 | 球头直径 | 底座高度 | 底座直径 |
单只、静态 垂直承载力 |
| M | L | S | Q | H | A | KG | |
| A=50mm | |||||||
| HMW50-M8-L | M8 | 30/50/100 | 14 | 13.5 | 20 | 50 | 400 |
| HMW50-M10-L | M10 | 30/50/100 | 500 | ||||
| HMW50-M12-L | M12 | 50/100/150 | 600 | ||||
| HMW50-M14-L | M14 | 50/100/150 | 17 | 15.3 | 800 | ||
| HMW50-M16-L | M16 | 50/100/150 | 1000 | ||||
| A=60mm | |||||||
| HMW60-M12-L | M12 | 50/100/150 | 17 | 15.3 | 24 | 60 | 600 |
| HMW60-M14-L | M14 | 50/100/150 | 800 | ||||
| HMW60-M16-L | M16 | 50/100/150 | 22 | 21.5 | 1000 | ||
| HMW60-M20-L | M20 | 100/150/200 | 1200 | ||||
| A=80mm | |||||||
| HMW80-M16-L | M16 | 100/150/200 | 22 | 21.5 | 26 | 80 | 1200 |
| HMW80-M18-L | M18 | 100/150/200 | 1500 | ||||
| HMW80-M20-L | M20 | 100/150/200 | 1800 | ||||
| HMW80-M24-L | M24 | 100/150/200 | 24 | 21.5 | 2200 | ||
| A=100mm | |||||||
| HMW100-M16-L | M16 | 100/150/200 | 22 | 21.5 | 26 | 100 | 1500 |
| HMW100-M18-L | M18 | 100/150/200 | 1800 | ||||
| HMW100-M20-L | M20 | 100/150/200 | 2000 | ||||
| HMW100-M24-L | M24 | 100/150/200 | 24 | 21.5 | 2500 | ||
| HMW100-M30-L | M30 | 100/150/200 | 30 | 26 | 4000 | ||
| A=120mm | |||||||
| HMW120-M16-L | M16 | 100/150/200 | 22 | 21.5 | 30 | 120 | 1500 |
| HMW120-M18-L | M18 | 100/150/200 | 2000 | ||||
| HMW120-M20-L | M20 | 100/150/200 | 2200 | ||||
| HMW120-M24-L | M24 | 100/150/200 | 24 | 2800 | |||
| HMW120-M30-L | M30 | 100/150/200 | 30 | 26 | 4500 | ||
| A=150mm | |||||||
| HMW150-M18-L | M18 | 100/150/200 | 22 | 21.5 | 30 | 150 | 2500 |
| HMW150-M20-L | M20 | 100/150/200 | 22 | 3000 | |||
| HMW150-M24-L | M24 | 100/150/200 | 24 | 3500 | |||
| HMW150-M30-L | M30 | 100/150/200 | 30 | 26 | 4500 | ||
| HMW150-M36-L | M36 | 100/150/200 | 36 | 26 | 5000 | ||
[上一条]:抱歉暂无数据
[下一条]:HMW150-M30









